
三槽碳氢清洗机的应用 多槽式真空碳氢清洗机高产能、低功耗、更环保,是替代水基清洗的最佳选择■ 满足工业零件不断增长的需求和在溶剂清洗中带有全新系统概念的表面清洗■ 应用领域包括汽车零部件、冲压、锻造、粉末冶金、精加工、热处理、电子等随着工业清洗发展对环保要求越来越高,碳氢清洗机在工业清洗领域越来越受欢迎,买广东碳氢清洗…
阅读量:22021

随着工业清洗发展对环保要求越来越高,碳氢清洗机在工业清洗领域越来越受欢迎,买广东碳氢清洗机就选科利尔(深圳)工业清洗设备有限公司www.cleaner-sz.com,真空全密闭环保超声波碳氢清洗机质优价廉交期快 1.空调铜管声波清洗机按照清洗的要求不同,主要分为定制声波清洗机,非定制声波清洗机三大类。一般工业便面的清洗清洗要求,常规行业…
阅读量:22021

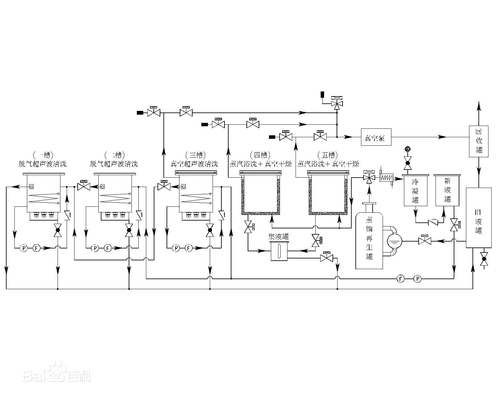
第一阶段:首先将欲清洗的产品放入清洗篮,然后将精洗篮放进设备上料区,通过控制机械臂将清洗篮提到清洗主槽。这时气缸驱动槽盖自动关闭清洗槽,真空脱气系统启动,将槽内空气抽尽。在真空状态下可以将需要清洗的产品的狭小缝隙内气体及含在碳氢清洗剂中的气体抽出,超声波启动,摇摆装置启动,带动洗篮转动,使环保碳氢清洗剂可以充分进行…
阅读量:22021

■ 保护基材,相容性好。不含水分和氯、硫等腐蚀物,对各种金属材料工件表面不会产生腐蚀、氧化和变色等损伤 基材的现象。碳氢清洗剂又属于非极性溶剂,对大部分塑料和橡胶没有溶解、溶涨和脆化作用;■ 性能稳定,洗净力强,脱脂迅速能快速彻底清除工件上之油脂,清洗矿物油更好于卤代烃和水基清洗剂;■ 在除油的基础上具有一定的防锈效果…
阅读量:22021

■ 通过蒸馏原油得到的留分溶剂,是由碳和氢两种元素组成的化合物。碳氢清洗剂为高效、环保、安全型清洗剂。 具有优良的安全性,环保性及清洗能力、对金属无腐蚀,可满足诸多领域的零件清洗的需求,本品还选具有一定 的防锈效果,逐步成为一类重要的工业清洗剂之一。随着工业清洗发展对环保要求越来越高,碳氢清洗机在工业清洗领域越来越…
阅读量:22021
Copyright © 科利尔(深圳)工业清洗设备有限公司 备案号:粤ICP备2021057937号-3 统计代码放置