
背景机械零件的清洗在工业领域中具有重要意义。由于长期使用,这些零件会积累灰尘、油渍和其他杂质,这可能会影响其性能和寿命。为确保机械设备的正常运行,定期清洗成为了一项关键任务。高压喷淋清洗机介绍高压喷淋清洗机是一种利用高压水流对物体进行清洗的设备。它通过将水流加压至高压状态,产生强大的冲击力,从而有效去除物体表面的污渍…
阅读量:22024

机械零件的清洗在工业领域中具有重要意义。由于长期使用,这些零件会积累灰尘、油渍和其他杂质,这可能会影响其性能和寿命。为确保机械设备的正常运行,定期清洗成为了一项关键任务。高压喷淋清洗机介绍高压喷淋清洗机是一种利用高压水流对物体进行清洗的设备。它通过将水流加压至高压状态,产生强大的冲击力,从而有效去除物体表面的污渍和杂…
阅读量:32024

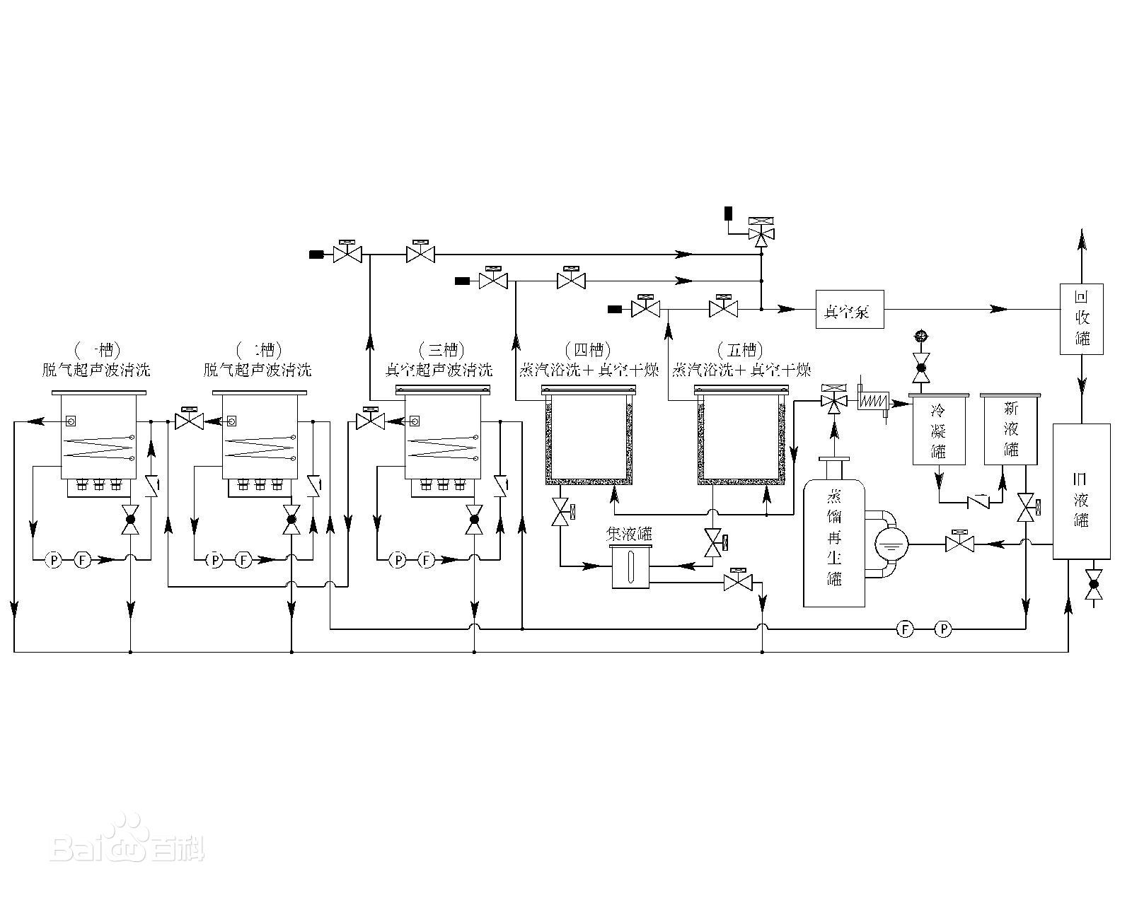
全自动真空碳氢清洗机主要由五个系统组成,即清洗系统、蒸馏回收系统、输送系统、消防和安全系统以及电气系统。影响清洗质量的主要因素是清洗系统和蒸馏回收系统。从设备和工艺两方面分析了碳氢真空清洗设备的常见问题。1.蒸馏器不会沸腾。
阅读量:22024

随着工业清洗发展对环保要求越来越高,碳氢清洗机在工业清洗领域越来越受欢迎,买广东碳氢清洗机就选科利尔(深圳)工业清洗设备有限公司网站cleaner-sz,全密闭真空环保智能碳氢超声波清洗机质优价廉交期快全密闭真空环保智能碳氢超声波清洗机 碳氢清洗剂的清洗原理简单地说是依据溶剂的溶解力进行清洗。基于对油脂或油性污染的溶解性的脱脂…
阅读量:22024

a、检查管路系统有无漏气漏水的情况,如有这种情况应通知维修人员修理;b、检查清洗液是否足够,如果不够,及时增加清洗液;c、先点动试车,然后空运转2-3分钟检查传动系统(电动机、联轴节、减速器)和运输带的运动是否平稳,确认一切正常后,方可进行生产;d、开启浮油排除装置(不带浮油排除装置除外)开始浮油排除,因此时水泵尚开启,水…
阅读量:32024

怎么维护与保养超声波清洗机! 1、保持超声波清洗机工作场所的通风、干燥、洁净,有利于超声波清洗机的长期高效运转及优化工作环境条件。2、洗净液过于肮脏时应及时处理,定期清理清洗槽、贮液槽内污垢,保持洗净槽内及外观的洁净,可提高洗净槽的耐用性。3、电气控制箱及设备通风口远离水蒸汽、腐蚀性气体、粉尘,定期用压缩空气清理附着的灰…
阅读量:32024
Copyright © 科利尔(深圳)工业清洗设备有限公司 备案号:粤ICP备2021057937号-3 统计代码放置